emSPC M860系列三相多功能电力监控仪表主要应用于中低压系统的智能电力监控装置,拥有强大的采集、 处理、 统计和控制功能, 具有三相交流电参量的测量与计算、 电度量累计、2~63次谐波分析、电能脉冲计数、开关量监测、故障记录、继电器输出控制、 直流变送输出、电能脉冲输出、越限告警、温度测量、复费率电度量统计等多种功能。有功测量精度达到0.2级。
emSPC M860采用段式液晶显示屏,可通过RS485通讯接口和上位机系统通讯,实现变电站自动化采集和监视功能。
emSPC M860采用多种抗干扰措施,能够在严酷的电力系统环境中稳定运行。外形尺寸符合DIN96x96标准,并采用自锁式安装机构,需螺丝固定即可安装。
可广泛应用于电力、工矿企业、智能建筑、交通、数据中心等行业。
常规电参量
三相相电压、三相线电压;
三相电流、零序电流;
总有功功率、总无功功率、总视在功率;
各相的有功、无功功率、视在功率;
总功率因数、各相的功率因数;
系统频率。
电度量统计
总有功电度量、总无功电度量、视在电度量(仅支持通讯读取);
各相的有功电度量、无功电度量、视在电度量(仅支持通讯读取);
正反向总有功电能、正反向无功电能;
四象限无功电能累计;
两路脉冲输入电量累计;
分时复费率电度量,(包括:总有功、总无功、总视在(仅支持通讯读取)、各相有功、各相无功、各相视在、正反向有功、正反向无功,两路脉冲电量);
装置可记录12个转存周期的电度量记录,仅支持通讯读取。
分时计费(本地可设置1个日时段表)
仪表最大可设置4个费率、12 时段、8 个日时段表、12 个年时区、90 个公共假日,可设置周休日时段表。优先执行公共假日采用的时段表,其次执行周休日采用的时段表,最后执行每个时区采用的时段表;
具有两套时区表、两套日时段表、两套公共假日表,并可在设定的时间点切换。
电能质量
三相电压、三相电流不平衡度;
电压的2~63 次谐波分量占有率;
三相电流的2~63 次谐波分量占有率;
电压和三相电流的谐波畸变率(包括总畸变率THD、奇次畸变率、偶次畸变率);
电压、三相电流的基波有效值;
三相电流的K因数;
三相电压、三相电流波峰系数;
正序电压、负序电压、零序电压;
正序电流、负序电流、零序电流;
三相电压、频率偏差;
电压暂升/电压暂降/电压中断记录。
需量统计
需量计算支持滑动需量和DI同步需量两种方式。
三相电流、总有功功率、总无功功率、总视在功率实时需量统计;
三相电流、总有功功率、总无功功率、总视在功率的当前结算周期最大需量及时标(包括不同费率下的最大需量及时标),仅支持通讯读取;
装置可记录3个转存周期的最大需量记录,仅支持通讯读取。
极值统计
各相/线电压、电流、总/三相有功功率、无功功率、视在功率的最大/最小值及发生时间;
装置可记录3个转存周期的极值统计记录。
冻结功能(仅支持通讯读取)
冻结数据内容包括:正反向有功、正反向无功、各相的正反向有功和正反向无功。
周期定时冻结功能:根据设定的冻结时间可以实现以月、日或小时为周期定时冻结电量数据。
瞬时冻结功能:通讯下发瞬时冻结命令后立即生成一条冻结记录。
约定冻结功能:当发生两套时区表切换、两套日时段表切换或两套公共假日转换时,触发一次约定冻结。
装置可记录12条冻结记录。
越限告警
支持10组越限告警检测(包括上限监测和下限监测),可监测对象包括:电压、电流、有功功率、无功功率、视在功率、功率因数、频率、不平衡度、总谐波畸变率、温度、温差。
每个监测对象都可产生越限SOE和返回SOE,越限同时可触发继电器动作;
装置可最多记录32次越限告警事件,包括越限事件、返回事件、告警复归操作。
暂态监测
装置可最多记录32次暂态事件,包括电压暂升、暂降、电压中断。
输入输出
支持最多8路无源开关量输入,装置最多可记录128个开关量SOE事件;每路均可设置为开关量、脉冲输入、同步需量。最多只能有2路设置为脉冲输入,1路设置为同步需量
支持最多4路继电器控制输出,支持通讯控制、本地操作或关联告警触发。
支持最多2路4~20mA输出,可关联常规电参量的任一数据项。
支持最多2路PO输出(二次侧电能),分别是1路总有功电能和1路总无功电能。
温度测量
支持最多8路温度测量(需配接ETSY-D系列温度传感器);
通讯
通信接口:最多两路RS485、1路蓝牙;
通信协议:MODBUS-RTU、DLT645-2007、PROFIBUS-DP;
通信速率:1200/2400/4800/9600/19200/38400bps;
最多连接32台设备。
接线检测
简单的接线检测功能,用于提示可能存在接线错误。包括:电压相序、电流相序、电压缺相、电流缺相、有功功率方向、CT方向检测。
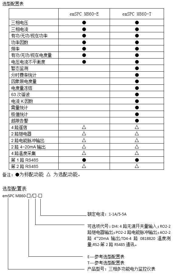
备注:1、选配功能TD4和RS2互斥,同时只能选一;
2、选配功能AO2和PO2互斥,同时只能选一。

扫码进入网站
联系人:陈经理
手机:183-0290-2967
地址:西安市曲江新区雁塔南路金辉环球广场F座2单元1911室
邮编:710061